脱着電解システムとは何ですか、そしてなぜそれが現代の金の抽出に不可欠なのか

脱着電解システムは、現代の金抽出、特にカーボンインパルプ (CIP) およびカーボンインリーチ (CIL) プロセスにおいて重要な技術です。このブログでは、このシステムがどのように機能するか、そのコンポーネント、利点、そしてなぜそれが効率的な金回収の標準となったのかを探ります。企業がどのように好むかについても強調しますすごいこの分野でイノベーションを推進しています。最終的には、このシステムがどのように生産性を向上させ、コストを削減し、回収率を向上させるのかを包括的に理解できるようになります。

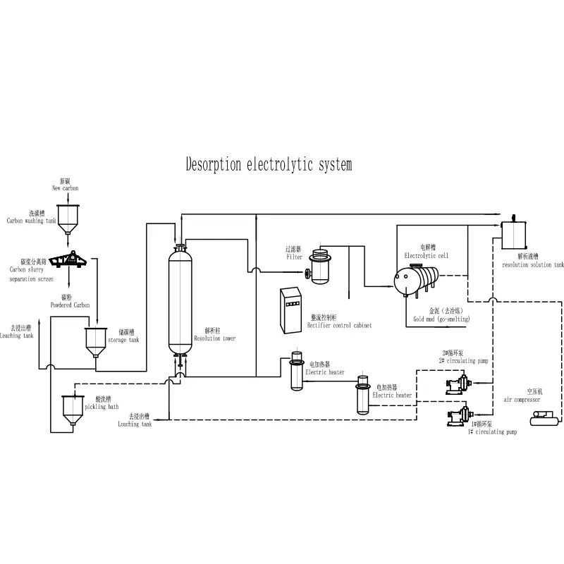
Desorption Electrolytic System

目次


脱着電解システムとは

A 脱着電解システムは、活性炭から金を抽出するために使用される高度な金回収システムです。これは、浸出プロセス中に金が炭素粒子に吸収される採掘作業に広く適用されています。

  • 脱着: 高温高圧溶液を使用してカーボンから金を除去します。
  • 電気分解: 溶液からカソード上に金を回収します。
  • 閉ループシステム: 効率を確保し、損失を最小限に抑えます。

このシステムは回収効率の向上と運用コストの削減に不可欠であり、現代の金加工プラントの中核コンポーネントとなっています。


脱着電解システムの仕組み

の動作原理脱着電解システム次の 2 つの主要な段階が含まれます。

  1. 脱着ステージ:金を担持したカーボンは熱シアン化アルカリ溶液で処理され、金イオンが放出されます。
  2. 電気分解段階:金が豊富な溶液は電解槽を通過し、そこで金がスチールウールの陰極に析出します。

このプロセスにより高効率が保証され、継続的な運用が可能になるため、次のような企業のシステムが提供されます。すごい産業用途に広く採用されています。


システムの主要コンポーネント

成分 関数
脱着カラム 活性炭を保持し、金の除去を促進します。
電解槽 電気分解により金を回収
熱交換器 必要な温度を維持します
フィルターシステム 溶液から不純物を除去します
制御システム 操作を自動化し、パラメータを監視します

各コンポーネントは、システムが効率的かつ一貫して動作することを保証する上で重要な役割を果たします。


技術的な利点と特徴

  • 高い金回収率(最大98%)
  • 低エネルギー消費
  • 自動化による人件費削減
  • スペース効率を考慮したコンパクトな設計
  • 排出量を最小限に抑えて環境に優しい

メーカーのようなすごい進化する業界の需要を満たすためにこれらのシステムを継続的に最適化し、より優れたパフォーマンスと信頼性を確保します。


金加工への応用

脱着電解システム以下の分野で広く使用されています。

  • 金採掘工場
  • CIP (カーボン・イン・パルプ) オペレーション
  • CIL (カーボンインリーチ) プロセス
  • 金尾鉱の回収

その多用途性により、大規模な工業用採掘と、効率の向上を求める小規模な作業の両方に適しています。


従来法との比較

特徴 脱着電解システム 伝統的な手法
効率 高い 適度
オートメーション 完全自動化 手動または半自動
料金 長期的なコストの削減 運用コストが高くなる
環境への影響 低い より高い

明らかに、最新のシステムには、従来の金回収技術に比べて大きな利点があります。


バイヤー向け選択ガイド

を選択するときは、脱着電解システムの場合は、次の要素を考慮してください。

  • 処理能力
  • 自動化レベル
  • エネルギー効率
  • メーカーの評判 (例: EPIC)
  • アフターサポート

適切なシステムを選択することで、長期的な運用の成功と投資収益率の最大化が保証されます。


メンテナンスと操作のヒント

  • パイプラインとバルブを定期的に検査する
  • 温度と圧力レベルを監視する
  • 電解槽を定期的に掃除してください
  • 摩耗したコンポーネントは速やかに交換してください
  • メーカーのガイドラインに厳密に従ってください

適切なメンテナンスにより、システムの寿命が大幅に延長され、一貫したパフォーマンスが保証されます。


よくある質問

1. 脱着電解システムの主な目的は何ですか?

その主な目的は、活性炭から金を効率的に抽出して回収することです。

2. システムはどの程度効率的ですか?

ほとんどのシステムは、動作条件にもよりますが、95% 以上の金回収率を達成します。

3. システムは環境に優しいですか?

はい、最新のシステムは排出を最小限に抑え、化学廃棄物を削減するように設計されています。

4.カスタマイズできますか?

はい、EPIC のような企業は、処理要件に基づいてカスタマイズ可能なソリューションを提供しています。

5. このシステムはどのような業界で使用されていますか?

主に金採掘産業ですが、貴金属回収用途にも使用されます。


結論

脱着電解システム金回収技術の画期的な成果であり、比類のない効率、信頼性、環境パフォーマンスを提供します。などの業界リーダーによる継続的な進歩により、すごい、このシステムは現代の採掘作業にとってますます不可欠なものとなっています。金抽出プロセスを最適化し、収益性を向上させたいと考えている場合、高品質のシステムに投資することは賢明な選択です。お問い合わせ今日は、お客様のニーズに合わせたソリューションを提供する方法について詳しく学びましょう。

お問い合わせを送信

X
当社は Cookie を使用して、より良いブラウジング体験を提供し、サイトのトラフィックを分析し、コンテンツをパーソナライズします。このサイトを使用すると、Cookie の使用に同意したことになります。 プライバシーポリシー