English
Español
Português
русский
Français
日本語
Deutsch
tiếng Việt
Italiano
Nederlands
ภาษาไทย
Polski
한국어
Svenska
magyar
Malay
বাংলা ভাষার
Dansk
Suomi
हिन्दी
Pilipino
Türkçe
Gaeilge
العربية
Indonesia
Norsk
تمل
český
ελληνικά
український
Javanese
فارسی
தமிழ்
తెలుగు
नेपाली
Burmese
български
ລາວ
Latine
Қазақша
Euskal
Azərbaycan
Slovenský jazyk
Македонски
Lietuvos
Eesti Keel
Română
Slovenski
मराठी
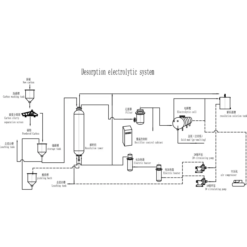
Srpski језик 熟練したメーカーであるEpicは、最高の脱着電解システムを提供することを目指しています。最高のアフターセールサポートと迅速な配信を提供することを約束します。アニオンの活性炭吸着脱着脱着システムにより、したがってAu(CN)2 "の置換システムにより、金の脱着を実現することにより、さらにEASを追加する際に、金充填炭素の脱着によって得られる液体は、固体金を得るためにイオン化によって回収されます。
1、高温、高圧、シアン化物なし、脱着自動制御、高力学、弓消費、速い
特性:
A.高効率:金負荷の炭素グレードが3000 g/tに達すると、脱着速度は96%以上に達することがあり、従来の脱離電解と比較して3〜4回炭素グレードを3〜4回補償できます
デバイス:
B.fast:脱着電解温度は、0.5MPaまでのシステム作業圧力(他のモデルよりも0.2-0.5mpa高い)の作業圧力(他のモデルよりも0.2-0.5MPa)になる可能性があります。
3回:C.lowの消費:脱着電解温度は同じであり、熱伝達はなく、迅速な作業のため、総電力消費は従来のシステムの1/2-1/4です。
2.シアン化物なし:脱着溶液は、シアン化ナトリウム、低コスト、汚染なしを追加する必要はありません:
3、高品質の金の泥、電解を逆転させる必要はありません、簡単な抽出。
4、自動制御:液体レベル制御システム、温度制御システム、自動制御システムを特別に設定します。
5、安全:トリプル安全保護対策、すなわち、システム自体がインテリジェントなオートラティティック圧力制限圧力放出メカニズム、保険安全バルブ。