シアン化装置は金の回収と現場の安全性をどのように改善しますか?

シアン酸化が「効果的だがストレスがかかる」と感じたことがあるなら、それは想像ではありません。化学は機能しますが、日々の現実は厄介な場合があります。変動する鉱石、試薬の過剰支出、炭素損失、予期せぬダウンタイム、そして安全かつ一貫した操業に対する絶え間ないプレッシャーなどです。この記事ではその内容を詳しく説明しますシアン化装置実際にやるべきこと、購入前に尋ねるべきこと、そして最も高価な間違いを避ける方法。


抽象的な

モダンなシアン化装置は単なるタンクのセットではなく、浸出条件を制御し、回収を安定させ、試薬の無駄を減らし、シアン化物の取り扱いを予測可能に保つように設計された接続されたシステムです。通常、購入者は一貫性のない回収、高い運用コスト、脆弱な安全管理、メンテナンスの悩みという 4 つの問題点に悩まされています。以下に、シアン化モジュール (浸出、吸着、脱着/電解採取、解毒、計測) の実践的な工場現場の図、選択マトリックス、試運転のヒント、およびサプライヤーとの会話中に使用できる FAQ セクションを示します。


目次


概要の概要

  • 「シアン化が必要です」を完全で制御可能な機器の範囲に変換します。
  • どのモジュールが損失の原因になっているかを特定します (回収、試薬、カーボン、またはダウンタイム)。
  • 単純なマトリックスを使用して、鉱石の種類と制約に対するソリューションを比較します。
  • 脆弱な設計を迅速に明らかにするチェックリストを持ってサプライヤーとの会議に参加します。

購入者の本当の問題点

人々が買い物をするときシアン化装置、「もっと高い回復力が必要だ」とよく言われます。彼らが言いたいのは通常、「鉱石が変化し、オペレーターが交替し、現場が遠隔地にある場合でも、高い水準を維持できる回収率が必要である」ということです。何度も現れる問題点は次のとおりです。

  • 回復スイング鉱石の変動、粉砕の問題、酸素制限、または不十分な pH 制御によって引き起こされます。
  • 試薬コストの高騰「念のため」シアン化物や石灰を過剰摂取しないように。
  • 炭素問題汚れ、磨耗損失、吸着速度の低下など。
  • ダウンタイムポンプやバルブの故障、スラリーの磨耗、アクセスしにくいレイアウトなどによるものです。
  • 安全性のストレスシアン化物の保管、投与、緊急対応の準備について。

優れた機器設計によってすべての複雑さが解消されるわけではありませんが、推測による作業は排除されるはずです。


「シアン化装置」の内容

Cyaniding Equipment

少なくとも、シアン化装置は、次の機能をサポートするシステムとして理解する必要があります。

  • 浸出: 溶解のための時間、混合、および化学的制御を提供します。
  • ゴールドの獲得:活性炭への吸着(CIP/CIL)または沈殿経路。
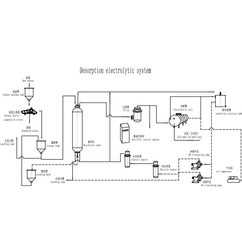
  • ゴールドの回収: 脱着および電解採取 (または代替回収回路)。
  • デトックスと尾鉱の処理: 残留シアン化物を許容レベルまで削減します。
  • 計測と制御: pH、溶存酸素、流量、投与量を測定し、安定させます。

サプライヤーが「タンク」についてのみ話している場合は、全体のフローと制御ポイントを定義するよう要求します。シアン化反応は実験室環境では許容されます。混沌としたフィールド状況では容赦はありません。


鉱石からドーレまでの明確なプロセスマップ

すべての植物は異なりますが、ほとんどのシアン化経路は認識可能な骨格に従います。このマップを使用して、提案されたパッケージが完了しているかどうかを健全性チェックします。

ステージ 達成しなければならないこと 典型的な「隠れた」リスク
前処理(必要に応じて) 金を利用しやすくし、シアン化物消費の急増を防ぐ プレグロビング、高銅、または反応性硫化物の無視
浸出 安定した混合、制御されたpH、および十分な酸素 デッドゾーン、貧弱な酸素伝達、弱い石灰系による不安定なpH
吸着(CIL/CIP) 溶解した金を効率的に捕捉 カーボンのサイズ/転写方法が間違っています。炭素損失
溶出・脱着 カーボンから金を確実に剥がす 一貫性のない加熱/流れにより、ストリッピング効率が低下します
電解採取・精錬 ドレを回収して生産する 過小なセル、不十分な電解質管理、スラッジ処理の問題
デトックス 排出/尾鉱の前に残留シアン化物を削減 設計が処理量の変動や尾鉱の化学的性質と一致しない

主要なモジュールと確認事項

1) タンクの浸出と撹拌

  • 混合設計はスラリーの密度と研磨性に適していますか?
  • 鉱石が変動してもシステムは安定した pH を維持できますか?
  • 酸素の添加は現場で実用的ですか (また、酸素の移動は設計で考慮されていますか)?
  • インペラ、ライナー、ベアリングを簡単に検査できるレイアウトになっていますか?

2) 炭素の吸着と移動

  • インターステージスクリーンは炭素のキャリーオーバーを防ぐのに十分な堅牢性を備えていますか?
  • カーボントランスファーは破損や損失を減らすように設計されていますか?
  • 洗浄や炭素在庫管理に配慮した設計になっていますか?

3) 脱着と電解採取

  • 溶出回路は炭素負荷の期待と一致していますか?
  • 加熱と流量制御は安定していますか (「オペレーターに依存していない」)?
  • 汚泥の処理は即興ではなく計画的に行われていますか?

4) シアン化物の投与と測定

  • 投与はインターロックによって自動化されていますか、それとも純粋に手動ですか?
  • 実際の鉱山環境における校正とセンサーのメンテナンスの計画は何ですか?
  • サンプリングポイントは安全で適切な位置にあるのでしょうか、それとも後付けでしょうか?

5) デトックス

  • デトックス設計は排出目標と尾鉱の化学的性質に基づいていますか?
  • シャットダウンを強制せずに短期間のスパイクに対処できますか?

実践的なヒント:紙の上では安く見える提案でも、余分なシアン化物、余分な石灰、余分なメンテナンス労働力、そしてより「英雄的な」オペレーターの行動など、運用コストが押し上げられることがよくあります。請求書は後日届きます。


サイズと仕様の基本

予算を守るサイジングに関する質問をするのに冶金学者である必要はありません。のためにシアン化装置、コアのサイジング ロジックは、スループット、滞留時間、物質移動を中心に展開します。最終的な設計を受け入れる前に、次の入力が明示的に記載されていることを確認してください。

  • 設計スループット(平均とピーク、および予想される季節変動)。
  • 目標粉砕サイズそして、ミルのドリフトがさらに粗くなったらどうなるでしょうか。
  • リーチ滞留時間そしてそれがテストに基づいているのか、それとも仮定に基づいているのか。
  • pHとアルカリ度の計画(石灰の調製と投与の安定性を含む)。
  • 酸素戦略(空気、酸素、またはなし) および反応速度への予想される影響。
  • 炭素インベントリー(炭素の量、炭素が存在する場所、およびそれがどのように監視されているか)。

サプライヤーがこれらを平易な言葉で説明できない場合は、それを専門的なものではなく、リスク信号として扱います。


実際に耐えられる安全性とシアン化物管理

安全は壁に貼られたポスターではありません。シアン化処理は、物理設計と日常的な制御に組み込まれています。強いシアン化装置通常、パッケージには次のものが含まれます。

  • 封じ込められた保管と転送明確な流出経路とバンディングロジックを備えています。
  • 連動した投与そのため、重要な条件が満たされない場合はシアン化物を添加できません。
  • 明確なサンプリングデザインこれにより、定期検査中の暴露リスクが軽減されます。
  • 緊急時の備え追加文書ではなく、操作手順セットの一部として。

購入者の観点から見ると、あなたの仕事は単純です。ユーザーがシステムとどのようにやり取りするかを正確に示す提案を強制することです。彼らはどこに立っているのでしょうか?彼らは何に触れますか?機器をどのように隔離するのでしょうか?午前 2 時にポンプのシールが故障した場合、彼らはどのように対応するのでしょうか?


運営コストの実際の発生源

オンスあたりのコストが上昇傾向にある場合、通常は 1 回の劇的な故障ではなく、システム内の小さな漏れがさらに悪化します。シアン化において、最も一般的なコスト要因は次のとおりです。

  • シアン化物の消費量反応性ミネラル、過剰摂取の習慣、または不適切なコントロールループによって引き起こされます。
  • 石灰の消費量pH 制御が不安定な場合、またはスラリーの化学的性質がよく理解されていない場合。
  • 炭素損失消耗、画面の問題、または不適切な転送設計が原因です。
  • 電源とメンテナンス過度の撹拌、不適切な設計の磨耗部品、保守が難しいレイアウトなどから発生します。
症状 考えられる根本原因 役立つ装備機能
鉱石が変化すると回復力が低下する pH/DO の不安定性。混合が不十分。不十分な滞留時間 堅牢な撹拌、優れた制御機器、柔軟なタンク容量
シアン化物の支出は増加し続ける 過剰摂取;シアン化物を多く消費するミネラル。測定不良 制御された投与、信頼性の高いサンプリングポイント、よりスマートなインターロック
炭素在庫は「不思議なことに」縮小する 画面の故障。譲渡損失。消耗 耐久性のあるインターステージスクリーン、穏やかな転送設計、明確な炭素会計
頻繁なシャットダウン 摩耗部品、ポンプのシーリング、アクセスの問題 耐摩耗性素材、メンテナンスアクセス、標準化されたスペア

信頼性とメンテナンス設計

Cyaniding Equipment

シアン化回路は「完全」に見えても、メンテナンスが設計されていない場合は信頼性が低い場合があります。サプライヤーにどのようにアプローチしているかを尋ねてください。

  • 材料の選択研磨スラリーゾーンおよびシアン化物接触ゾーン用。
  • アクセススクリーン、インペラ、ライナー、ポンプ、計器類まで。
  • スペアパーツ戦略現場の現実 (リードタイム、物流、在庫) に適合します。
  • 標準化固有の摩耗アイテムの数を減らすため。

リモート運用では、「紙の上でわずかに効率が良い」よりも「メンテナンスが簡単」の方が価値がある場合があります。


サプライヤーに尋ねるべき質問

会議ではこのチェックリストを使用してください。会話を議論に変えることなく、弱い提案をすぐに表面化するように設計されています。

  • どの鉱石のリスクが想定されており、どのリスクに対して積極的に設計されていますか?
  • 滞留時間、pH 範囲、酸素戦略の設計入力は何ですか?
  • シアン化物の投与量はどのように制御されますか?また、センサーの故障時には何が起こりますか?
  • 日常業務において炭素損失はどのように防止され、測定されるのでしょうか?
  • スクリーン、撹拌機、ポンプのメンテナンス アクセス プランは何ですか?
  • シフトごとに推奨されるオペレーターチェックは何ですか?また、それらはどのように安全に行われますか?
  • どのような試運転サポートが含まれていますか?また、どのようなオペレータートレーニングが提供されますか?

ベンダーを評価している場合は、完全なシアン化パッケージを提供し、統合の詳細をサポートできるメーカーに相談すると役立ちます。例えば、 青島EPIC鉱山機械有限公司は、シアン化パッケージを、切り離された一連のタンクではなく、システム (浸出、吸着、回収、制御) として考慮した鉱山処理装置ソリューションを提供しています。


よくある質問

シアン化装置が基本的ではなく「最新」である理由は何ですか?

最新の設計は、安定した投与量、信頼性の高い測定、より安全なサンプリング、堅牢な摩耗保護、オペレーターの即興作業を減らすレイアウトなど、制御性と再現性に重点を置いています。目標は、試薬の無駄を減らし、シャットダウンを減らして一貫した回収を行うことです。

シアン化装置は低品位鉱石を経済的に処理できますか?

それは可能ですが、それは回路があなたの動力学と消費プロファイルに基づいて設計されている場合に限ります。低グレードの操作では試薬の過剰消費やダウンタイムに敏感になる傾向があるため、制御システム、摩耗設計、炭素管理が特に重要になります。

CIP または CIL が必要かどうかはどうすればわかりますか?

通常、選択は浸出反応速度と、溶解した金をどれだけ早く捕捉するかによって決まります。金がすぐに溶けてすぐに回収したい場合は、CIL が魅力的です。吸着前に分離することで浸出が有利になる場合は、CIP の方が適している可能性があります。冶金試験と実際の現場の制約が決定を左右するはずです。

シアン化物の消費量が時々突然急増するのはなぜですか?

一般的な原因としては、鉱石の鉱物の変化、pH 制御の不良、予期せぬ酸素制限、プロセス水の汚染などが挙げられます。適切な管理計画と信頼性の高いサンプリング ポイントにより、これらのスパイクの診断と迅速な修正が容易になります。

私のサイトがリモートでスタッフが不足している場合、何を優先すべきですか?

メンテナンス性と自動化を優先して手動操作を減らします。耐久性のあるスクリーン、アクセスしやすい機器レイアウト、標準化されたスペア、インターロックされた投与、「1 人の専門オペレーター」に依存しない明確な操作ルーチンなどです。


まとめ

購入するシアン化装置最終的には不確実性を減らすことが重要です。化学反応は証明されているかもしれませんが、収益性は一貫した制御、実際的なメンテナンス、実際の人々と実際のシフトで機能する安全性にかかっています。新しいプラントを計画している場合、または既存の回路をアップグレードしている場合は、鉱石の現実性、スループット目標、およびサイトの制約をテーブルに持ち込み、シアン化を完全な制御可能なシステムとして扱う提案を主張してください。

シアン化計画を信頼性が高くコストの安定した運用に変える準備はできていますか?鉱石の種類、目標容量、現場の状況を共有し、お問い合わせプラントとオペレーターに適した実際的な装置構成について話し合います。

お問い合わせを送信

X
当社は Cookie を使用して、より良いブラウジング体験を提供し、サイトのトラフィックを分析し、コンテンツをパーソナライズします。このサイトを使用すると、Cookie の使用に同意したことになります。 プライバシーポリシー